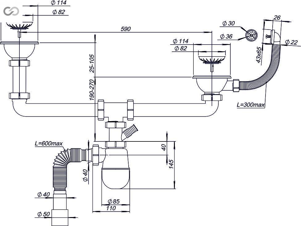
| Сетка выпуска, мм | Ø114 |
|---|---|
| Сетка круглого перелива, мм | Ø36 |
| Отвод в канализации, мм | Ø40/50 |
| Гибкая складная труба, мм | 600 |
| Материал сетки | нержавеющая сталь |
| Трубчатый винт нержавеющий, мм | М12×45 |
| Винт нержавеющий, мм | М6х35 |
| Дополнительно | две пробки-сетки с контейнерами для мусора, перелив, штуцер для подключения стиральной или посудомоечной машины |
Сифоны для умывальников, моек и раковин
Сифон двухуровневый «Кухня-Элит» К1551
Артикул: К1551| Сифон в сборе, шт | 1 |
|---|---|
| Принадлежности, шт | 2 |
| Патрубок второго уровня Ø40 мм, шт | 1 |
| Патрубок угловой с фланцем Ø40 мм, шт | 2 |
| Тройник, шт | 1 |
| Корпус выпуска, шт | 2 |
| Корпус перелива, шт | 1 |
| Шланг перелива гофрированный L=290мм, шт | 1 |
| Отвод сифона, шт | 1 |
| Количество в коробке, шт | 10 |
|---|---|
| Количество на паллете, шт | 200 |
| Вес в коробке, кг | 9,458 |
| Вес на паллете, кг | 189 |











